Меню
Корзина 00 ₽
    Поддержка
    • +7 495 972-72-77
    • +7 926 963-23-25

    ПН-ПТ с 9.00 до 18.00
    СБ с 9.00 до 16.00, ВС с 9.00 до 15.00

    Поддержка в мессенджере
    Ступино
    Корзина 00 ₽
    Поиск
    • О нас
      • О нас
      • Политика безопасности
      • Обзоры
      • Условия соглашения
    • Блог
    • Новости
    • Отзывы о магазине
    • Контакты
    • Помощь
      • Информация о доставке
      • Возвраты
      • Подарочные сертификаты
    • +7 495 972-72-77
    • +7 926 963-23-25
    • Обратный звонок
    Заказать обратный звонок
    Нажимая на кнопку «Отправить», Вы даете согласие на обработку персональных данных.
    Ступино
    Корзина 00 ₽
    Корзина
    Ваша корзина пуста!
    • Высоковольтное и щитовое оборудование
      • Высоковольтное оборудование
        • Изоляторы высоковольтные
        • Оборудование высоковольтное коммутационное
        • Оборудование для ЛЭП
        • Трансформаторы высоковольтные силовые
      • Щиты и шкафы, шинопровод
        • Аксессуары и комплектующие для щитов и шкафов
        • Клеммные зажимы
        • Климатическое оборудование для щитов и шкафов
        • Комплектное щитовое оборудование
        • Корпуса щитов и шкафов
        • Системы сборных шин
        • Телекоммуникационные шкафы и аксессуары
        • Шинопровод
        • Шкафы сборной конструкции
        • Щиты и панели для счетчиков электроэнергии
    • Генераторы электроэнергии и элементы питания
      • Батарейки, аккумуляторы, зарядные устройства
        • Аккумуляторы
        • Батарейки
        • Зарядные устройства
      • Генераторы электроэнергии
        • Бензо-дизельные генераторы
    • Изделия для электромонтажа
      • Арматура кабельная
        • Изоляционные материалы
          • Аксессуары для светильников
          • Аксессуары кабельные
          • Кабельные наконечники и соединители (гильзы)
          • Муфты кабельные
          • Термоусаживаемые и изоляционные материалы
      • Изделия крепежные, метизы
        • Анкерный крепеж
        • Болты, винты
        • Втулки, резьбовые шпильки
        • Гайки, шайбы
        • Гвозди
        • Дюбели, Шурупы, саморезы
        • Заклепки
        • Строительные смеси, герметик, клей, растворитель
        • Такелаж
      • Коробки, клеммы и сопутствующие товары
        • Клеммные зажимы
        • Коробки распределительные
          • установочные и аксессуары
        • Системы сборных шин
      • Разъемы, соединители
        • Разъемы силовые
        • Система штекерного монтажа электросети зданий
        • Электрические соединители различного назначения
    • Инструменты, техника
      • Бытовая техника и электроника
        • Бытовая техника мелкая
        • Бытовая электроника
      • Инструмент, измерительные приборы и средства защиты
        • Инструменты для опрессовки, резки, снятия изоляции
        • Оборудование для протяжки кабеля
        • Предохранители
        • Рабочая одежда, средства защиты
        • Указатели напряжения и устройства безопасности
        • Электроизмерительные приборы
      • Оборудование паяльное и сварочное
        • Газосварочное оборудование
        • Оборудование паяльное
        • Электросварочное оборудование
    • Кабеленесущие системы
      • Системы для прокладки кабеля
        • Аксессуары для металлических лотков универсальные
        • Кабель-каналы монтажные и аксессуары
        • Кабель-каналы напольные и аксессуары
        • Кабель-каналы настенные (парапетные, для монтажа ЭУИ) и аксессуары
        • Кабель-каналы перфорированные и аксессуары
        • Кабель-каналы плинтусные и аксессуары
        • Лоток кабельный лестничный
        • Лоток кабельный листовой
        • Лоток кабельный проволочный
        • Огнестойкие кабель-каналы
        • Рукава для защиты кабеля
        • Системы монтажные несущие
        • Трубы для прокладки кабеля
        • Указатели напряжения и устройства безопасности
      • Системы напольных и подпольных каналов, электромонтажных колон
        • Лючки и аксессуары
        • Электромонтажные колонны
      • Системы напольных и подпольных каналов, электромонтажных колон
        • Кабельные каналы напольной установки
        • Лючки и аксессуары
        • Электромонтажные колонны
    • Кабели, провода и аксессуары
      • Кабели и провода
        • Кабели и провода для нестационарной прокладки
        • Кабели и провода связи
        • Кабели и провода силовые для стационарной прокладки
        • Кабели контрольные
        • Кабели специального назначения
        • Провода и шнуры различного назначения
      • Системы ввода и крепления для кабеля
        • Вводы кабельные и аксессуары
        • Изделия крепежные для кабеля
    • Климатические и инженерные системы
      • Отопительные приборы, вентиляция, технологические и инженерные системы
        • Вентиляторы
        • Водоснабжение
        • Кабель нагревательный и аксессуары
        • Кондиционеры и аксессуары
        • Оборудование для сауны (бани)
        • Система водяного отопления
        • Система электрического отопления
        • Системы альтернативного отопления
        • Системы вентиляции
        • Терморегуляторы, термостаты, приборы управления обогревом
        • Электрические приводы и двигатели
      • Сантехника
        • Арматура трубная, распределение, контроль давления
        • Канализационная система
        • Компенсаторы сантехнические
        • Муфты, фитинги сантехнические
        • Радиаторы, конвекторы
    • Низковольтное и промышленное электрооборудование
      • Датчики
        • сенсоры
          • Аксессуары к датчикам
          • Бесконтактные датчики
          • Датчики физических величин (напряжения, тока и т.п.)
          • Позиционные датчики
      • Низковольтное оборудование
        • Выключатели дифференцальные модульные
        • Выключатели нагрузки (рубильники)
        • Выключатель автоматический модульный
        • Выключатель автоматический силовой
        • Дополнительные устройства модульной системы
        • Источники питания, трансформаторы
        • Кнопки управления
        • Контакторы, пускатель магнитный
        • Низковольтные устройства различного назначения и аксессуары
        • Переключатели
        • Посты управления и джойстики
        • Предохранители
        • Преобразователи частоты, устройства плавного пуска
        • Приборы измерения и учета
        • Сигнальные колонны
        • Сигнальные лампы и зуммеры
      • Промышленные контроллеры и автоматизация производства
        • Логические контроллеры и аксессуары
        • Промышленная сеть
        • Средства человеко-машинного интерфейса
      • Реле
        • Измерительные реле
        • Исполнительные реле
        • Реле времени, таймеры
        • Реле контроля
    • Освещение
      • Лампы (источники света)
        • Лампы газоразрядные
        • Лампы галогенные
        • Лампы люминесцентные
        • Лампы накаливания
        • Лампы светодиодные
        • Лампы специального назначения
      • Светотехника
        • Аварийное освещение и световые указатели
        • Аксессуары для светильников
        • Аппаратура пускорегулирующая
        • Взрывозащищенные световые приборы
        • Иллюминационное, декоративное освещение 
        • Лента светодиодная и комплектующие
        • Опоры, мачты освещения
        • Прожекторы и светильники направленного света
        • Светильники для освещения высоких пролётов и туннелей
        • Светильники линейные, для модульных и магистральных систем освещения
        • Светильники наружного освещения
        • Светильники настенно-потолочные
        • Светильники настольные, напольные, станочные
        • Фонари и переносные световые приборы
    • Связь, телекоммуникации
      • Антенны и спутниковые технологии
        • Антенны и аксессуары
        • Кабельные технологии
      • Домашние системы контроля доступа и комфорта
        • Домофонные системы
        • Звонки дверные и аксессуары
        • Система управления комфортом "Умный дом"
        • Средства коммуникации
      • Структурированные кабельные системы
        • Активное оборудование для СКС
        • Изделия монтажные для СКС
        • Компоненты системы на основе медных кабелей
        • Компоненты системы на основе оптических кабелей
      • Телефонные системы, техника для офиса
        • Техника для офиса
    • Устройства и средства безопасности
      • Системы пожарной, охранной сигнализации и аварийного оповещения
        • Оборудование для видеонаблюдения
        • Системы аварийного оповещения
        • Системы охранной сигнализации
        • Системы пожарной сигнализации
      • Средства пожаротушения и первой помощи
        • Система водяного пожаротушения
      • Устройства заземления, молниезащиты и защиты от перенапряжений
        • Устройства заземления
        • Устройства защиты от перенапряжений
        • Элементы молниезащиты
      • Устройства оптической и акустической сигнализации
        • Общепромышленное оборудование
    • Электроустановочные изделия
      • Аксессуары для электроустановочных изделий
      • Блоки комбинированные
      • Вилки
      • Выключатели, переключатели, диммеры
      • Датчики движения, детекторы освещенности, таймеры
      • Рамки, декоративные элементы, основания для ЭУИ
      • Розетки
      • Удлинители, блоки розеток, разветвители, переходники
      • Электроустановочные устройства различного назначения
    • Системы альтернативного отопления
    • Кондиционеры и аксессуары
    • Акции
    • Производители
    • WhatsApp
    • Email
    • VK
    Авторизация
    Забыли пароль?
    Регистрация

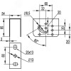
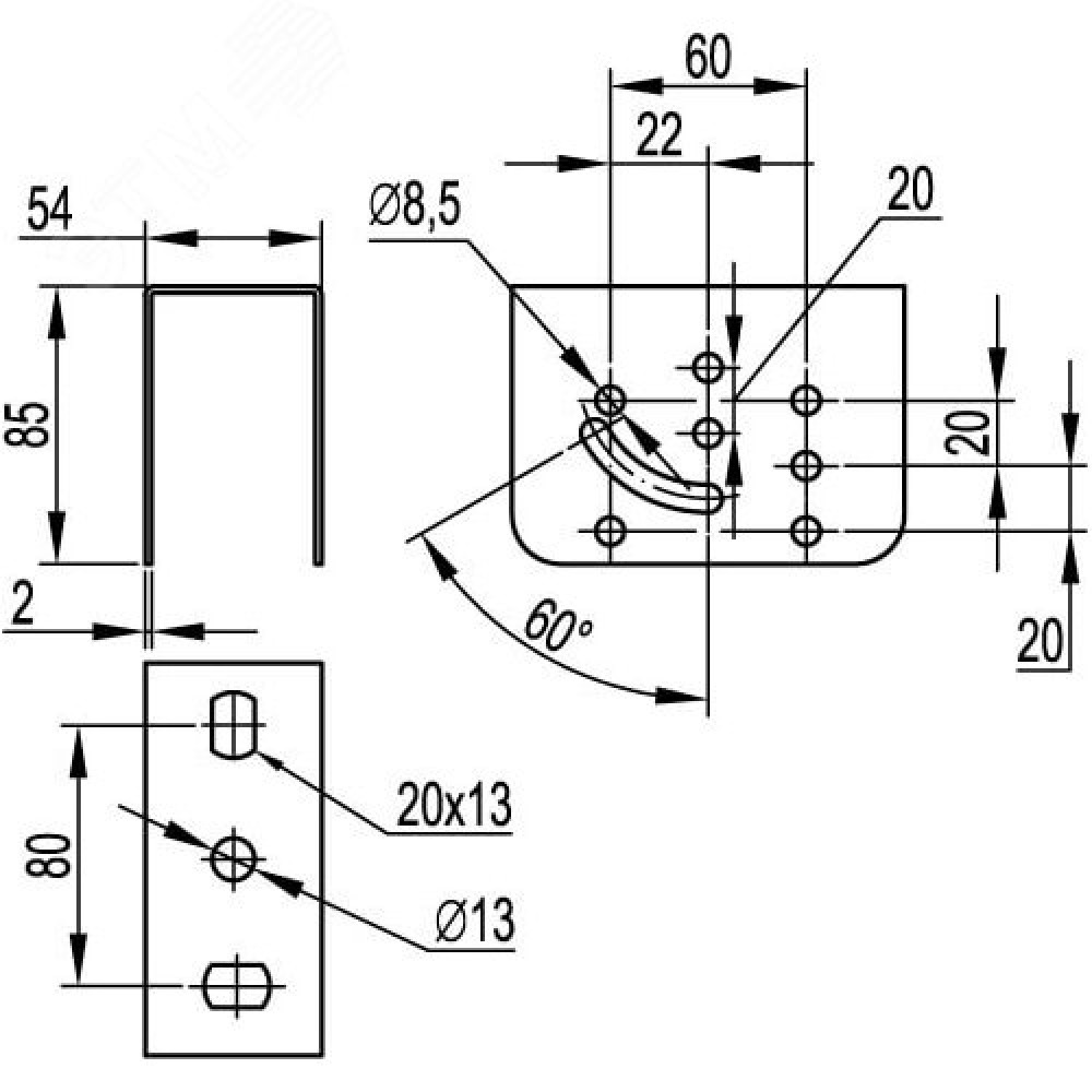
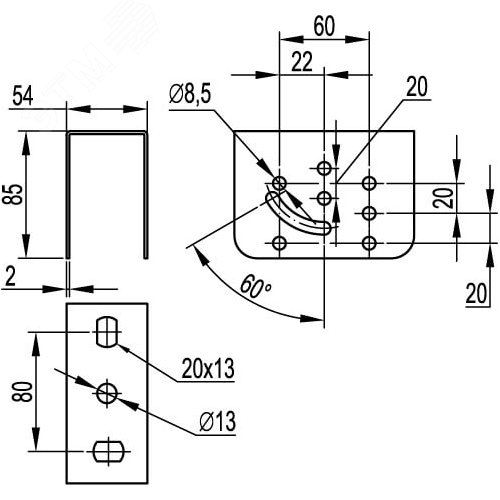
    Кронштейн потолочный SML

    • Главная
    • Кабеленесущие системы
      • Высоковольтное и щитовое оборудование
      • Генераторы электроэнергии и элементы питания
      • Изделия для электромонтажа
      • Инструмент, измерительные приборы и средства защиты
      • Инструменты, техника
      • Кабеленесущие системы
      • Кабели, провода и аксессуары
      • Климатические и инженерные системы
      • Низковольтное и промышленное электрооборудование
      • Освещение
      • Связь, телекоммуникации
      • Устройства и средства безопасности
      • Электроустановочные изделия
    • Системы для прокладки кабеля
      • Системы для прокладки кабеля
      • Системы напольных и подпольных каналов, электромонтажных колон
      • Системы напольных и подпольных каналов, электромонтажных колон
    • Аксессуары для металлических лотков универсальные
      • Аксессуары для металлических лотков универсальные
      • Кабель-каналы монтажные и аксессуары
      • Кабель-каналы напольные и аксессуары
      • Кабель-каналы настенные (парапетные, для монтажа ЭУИ) и аксессуары
      • Кабель-каналы перфорированные и аксессуары
      • Кабель-каналы плинтусные и аксессуары
      • Лоток кабельный лестничный
      • Лоток кабельный листовой
      • Лоток кабельный проволочный
      • Огнестойкие кабель-каналы
      • Рукава для защиты кабеля
      • Системы монтажные несущие
      • Трубы для прокладки кабеля
      • Указатели напряжения и устройства безопасности
    • Кронштейн потолочный SML
    Кронштейн потолочный SML
    Кронштейн потолочный SML 0 1320 ₽
    Купить
    Кронштейн потолочный SML
    Кронштейн потолочный SML
    Кронштейн потолочный SML
    Кронштейн потолочный SML
    Кронштейн потолочный SML
    Кронштейн потолочный SML
    Кронштейн потолочный SML
    Кронштейн потолочный SML
    Кронштейн потолочный SML
    На складе Код товара: etm-9670186
    DKC Производитель

    1320 ₽

    Быстрый заказ
    Нашли дешевле?
    Характеристики
    Высота, мм85 Длина, мм120 Дополнительная информацияНепрерывное холодное цинкование
    Климатическое исполнениеУХЛ2 КреплениеВинтовое Масса, кг0.382
    Материал изделияСталь Несущая способность/полезная нагрузка, кг250 ПокрытиеЦинк
    Все характеристики
    Поделиться
    Поделиться
    Нашли дешевле?
    Введите адрес доставки
    Технические характеристики Кронштейн потолочный SML
    Характеристика
    Высота, мм 85
    Длина, мм 120
    Дополнительная информация Непрерывное холодное цинкование
    Климатическое исполнение УХЛ2
    Крепление Винтовое
    Масса, кг 0.382
    Материал изделия Сталь
    Несущая способность/полезная нагрузка, кг 250
    Покрытие Цинк
    Преимущества Универсальное применение
    Резьба M8
    Рекомендованный проектный ассортимент Да
    Тип изделия Кронштейн
    Тип соединения Зажимное
    Толщина материала изделия 2
    Цвет Светло-серый
    Ширина, мм 54
    Отзывы 0
    • Нет отзывов об этом товаре.
    Написать отзыв
    Вопросы и ответы 0
    • Еще не было вопросов
    Задать вопрос

    Вы смотрели

    Скоро закончится
    Светильник светодиодный 72Вт 4000К 6500Лм IP40 595х595х19 матовый с проводом SPO-6-72-4K-M
    Светильник светодиодный 72Вт 4000К 6500Лм IP40 595х595х19 матовый с проводом SPO-6-72-4K-M
    Светильник светодиодный 72Вт 4000К 6500Лм IP40 595х595х19 матовый с проводом SPO-6-72-4K-M
    Светильник светодиодный 72Вт 4000К 6500Лм IP40 595х595х19 матовый с проводом SPO-6-72-4K-M
    На складе Код товара: etm-8403159 Светильник светодиодный 72Вт 4000К 6500Лм IP40 595х595х19 матовый с проводом SPO-6-72-4K-M
    Нет в наличии
    Рамка 4-м Karina Life горизонт. крем. LEZARD 708-0300-149
    Рамка 4-м Karina Life горизонт. крем. LEZARD 708-0300-149
    Рамка 4-м Karina Life горизонт. крем. LEZARD 708-0300-149
    Рамка 4-м Karina Life горизонт. крем. LEZARD 708-0300-149
    Код товара: 708-0300-149 Рамка 4-м Karina Life горизонт. крем. LEZARD 708-0300-149
    Популярный
    Лампа светодиодная 61 336 NLL-G45-8.5-230-2.7K-E27 8.5Вт шар матовая 2700К тепл. бел. E27 640лм 176-264В Navigator 61336
    Лампа светодиодная 61 336 NLL-G45-8.5-230-2.7K-E27 8.5Вт шар матовая 2700К тепл. бел. E27 640лм 176-264В Navigator 61336
    Лампа светодиодная 61 336 NLL-G45-8.5-230-2.7K-E27 8.5Вт шар матовая 2700К тепл. бел. E27 640лм 176-264В Navigator 61336
    На складе Код товара: 61336 Лампа светодиодная 61 336 NLL-G45-8.5-230-2.7K-E27 8.5Вт шар матовая 2700К тепл. бел. E27 640лм 176-264В Navigator 61336
    Нет в наличии
    Розетка компьютерная 1-м СП Vesna механизм черн. бархат LEZARD 742-4288-139
    Розетка компьютерная 1-м СП Vesna механизм черн. бархат LEZARD 742-4288-139
    Розетка компьютерная 1-м СП Vesna механизм черн. бархат LEZARD 742-4288-139
    Розетка компьютерная 1-м СП Vesna механизм черн. бархат LEZARD 742-4288-139
    Код товара: 742-4288-139 Розетка компьютерная 1-м СП Vesna механизм черн. бархат LEZARD 742-4288-139
    Кронштейн 300 мм На складе Код товара: etm-8334524 Кронштейн 300 мм
    Нет в наличии
    Розетка 2-м СП VESNA без заземл. ПБТ платина LEZARD 742-3500-128B
    Розетка 2-м СП VESNA без заземл. ПБТ платина LEZARD 742-3500-128B
    Розетка 2-м СП VESNA без заземл. ПБТ платина LEZARD 742-3500-128B
    Розетка 2-м СП VESNA без заземл. ПБТ платина LEZARD 742-3500-128B
    Розетка 2-м СП VESNA без заземл. ПБТ платина LEZARD 742-3500-128B
    Код товара: 742-3500-128B Розетка 2-м СП VESNA без заземл. ПБТ платина LEZARD 742-3500-128B
    Скоро закончится
    Светильник садовый ERASP024-10 4LED солнечная батарея ЭРА Б0044219
    Светильник садовый ERASP024-10 4LED солнечная батарея ЭРА Б0044219
    Светильник садовый ERASP024-10 4LED солнечная батарея ЭРА Б0044219
    Светильник садовый ERASP024-10 4LED солнечная батарея ЭРА Б0044219
    Светильник садовый ERASP024-10 4LED солнечная батарея ЭРА Б0044219
    Светильник садовый ERASP024-10 4LED солнечная батарея ЭРА Б0044219
    Светильник садовый ERASP024-10 4LED солнечная батарея ЭРА Б0044219
    Светильник садовый ERASP024-10 4LED солнечная батарея ЭРА Б0044219
    Светильник садовый ERASP024-10 4LED солнечная батарея ЭРА Б0044219
    На складе Код товара: Б0044219 Светильник садовый ERASP024-10 4LED солнечная батарея ЭРА Б0044219
    Крышка для лотка осн.200 L3000 сталь 0.6мм оцинк. EKF k20010
    Крышка для лотка осн.200 L3000 сталь 0.6мм оцинк. EKF k20010
    На складе Код товара: k20010 Крышка для лотка осн.200 L3000 сталь 0.6мм оцинк. EKF k20010
    Бесплатная доставка

    Бесплатная доставка

    Бонусы за покупку

    Бонусы за покупку

    Гарантированный возврат и обмен

    Гарантированный возврат и обмен

    Сертификаты на все товары

    Сертификаты на все товары

    Сертификаты на все товары

    Сертификаты на все товары

    Гарантийное обслуживание

    Гарантийное обслуживание

    Выберите обязательные опции
    Быстрый заказ
    Нажимая на кнопку «Отправить заказ», Вы даете согласие на обработку персональных данных.
    Ступино

    Сеть магазинов электротоваров "Элематика"

    2023

    Лампы
    • Лампы (источники света)
    • Лампы газоразрядные
    • Лампы галогенные
    • Лампы люминесцентные
    • Лампы светодиодные
    Электроника
    • Розетки
    • Вилки
    • Выключатели
    • Удлинители
    • Блоки комбинированные
    Вентиляция
    Электромонтаж
    • Сантехника
    • Активное оборудование для СКС
    • Электроустановочные устройства различного назначения
    О компании
    • О нас
    • Политика безопасности
    • Условия соглашения
    • Производители
    • Доставка
    • Контакты
    Поддержка
    • +7 495 972-72-77
    • +7 926 963-23-25
    • Обратный звонок
      Заказать обратный звонок
      Нажимая на кнопку «Отправить», Вы даете согласие на обработку персональных данных.

    ПН-ПТ с 9.00 до 18.00
    СБ с 9.00 до 16.00, ВС с 9.00 до 15.00

    Мы в сети
    • Vk
    • Whatsapp
    Ступино

    Сеть магазинов электротоваров "Элематика", 2023

    • webmoney